网站首页
网站首页
关于允升
关于允升
新闻动态
新闻动态
产品展示
产品展示
公司资质
公司资质
联系我们
联系我们
新闻动态
联系方式
你的位置:
首页
>
新闻动态
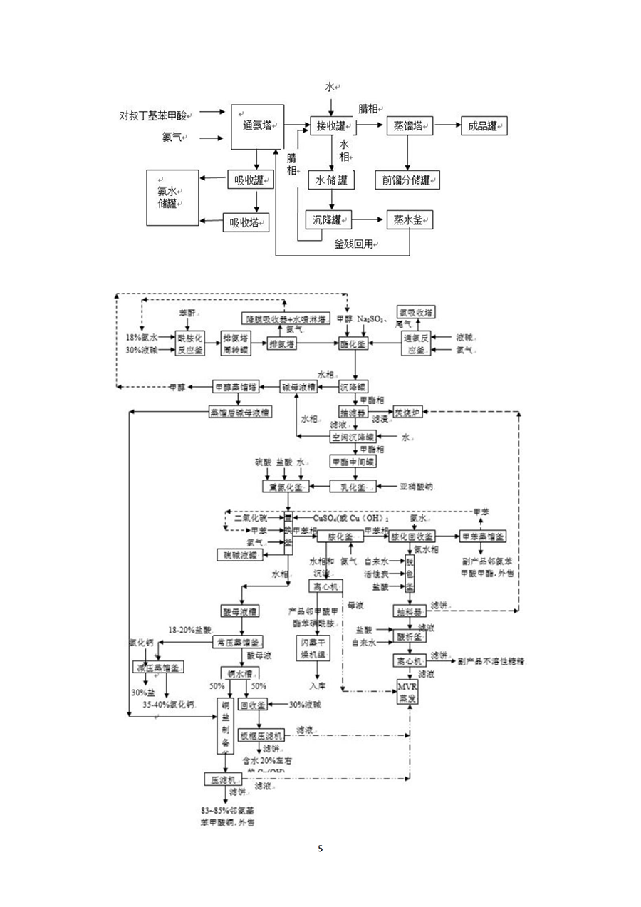
温室气体核查报告
2025/4/16 13:27:36 点击:
上一篇:
第三方核查声明
2025/4/16
下一篇:
碳足迹报告
2025/4/16
Copyright 2018 河北允升精细化工有限公司 版权所有 All Rights Reserved